СОДЕРЖАНИЕ:
Введение Система обозначений приборов электрооборудования применяемая в автомобильной промышленностиСокращения, принятые в справочнике1. Система световой сигнализации поворотови аварийной сигнализации1.1. Общие сведения2. Реле-прерыватели указателей поворотов2.1. Термоэлекгромагнитные реле поворотов2.1.1. Реле поворотов РС572.1.2. Реле поворотов РС57В2.1.3. Реле поворотов РС491 2.2. Установка аварийной сигнализации на автомобилис термоэлсктромагнитными реле поворотов2.3. Контактные и бесконтактные реле поворотов2-3.1. Контактно-транзисторные реле поворотов на 24 вольта1. Реле поворотов РС951А2. Проверка и ремонт реле поворотов PC 951А (РС950, РС950Б, РС950К)3. Реле поворотов SEGU 8587.4/12.3.2. Бесконтактно-транзисторные реле поворотов на 24 вольта1. Реле поворотов РС951АМ2. Реле поворотов PC95IA (ГОСТ 3940-84)2.3.3. Контактно-транзисторные реле поворотов на 12 вольт1. Реле поворотов РС950; 2. РС950Б; 3. РС950К4. Замена реле поворотов серии РС9505. Реле поворотов РС950П (Н)6. Реле поворотов 231.3747; 7. — 231.3747-018. Реле поворотов 64.3747; 9. — 23.374710. Реле поворотов 491.3747, 492.37472.3.4. Бесконтактно-транзисторные реле поворотов на 12 вольт1. Реле поворотов ИЖРП-4 с реле тока П-ИЖРП-42. Реле поворотов ПЭС-М2.3.5. Контактные реле поворотов на микросхемах серии К561 (К176)1. Реле поворотов 23.37472. Реле указателя поворотов2.3.6. Бесконтактные реле поворотов на микросхемах серии К561 (К 176)1. Бесконтактное реле указателя поворотов2. Реле поворотов ЭРПС-01; 3. — РП042.3.7. Контактные реле поворотов на микросхемах серии К2241. Реле поворотов РС950Е (И)2. Реле поворотов 23.37473. Реле поворотов 49.37472.3.8. Замена микросхемы К224ГГ22.3.9. Контактные реле поворотов на микросхеме КР1006ВИ11. Реле поворотов 231.37472.3.10. Бесконтактные реле поворотов на микросхеме КР1006ВИ11. Реле поворотов 231.37472. Реле поворотов 231.3747 (ТУ 37.453 074-85)3. Реле поворотов 23.37474. Комбинированное реле поворотов2.3.11. Контактные реле поворотов на микросхемах серии КР1055ГП11. Реле поворотов 493.3747; 2. — 6422.37472.3.12. Контактные реле поворотов на микросхемах серии U8431. Реле поворотов ТВВ 532.3.13. Контактные реле поворотов на микросхемах серии U269I. Реле поворотов ТВ 642.3.14. Контактные реле поворотов на микросхемах серии U2431. Реле поворотов 111953227D2. Реле поворотов 491. 37472.3.15. Контактные реле поворотов на микросхемах серии УРИ01ХП1. Реле поворотов 493.37472. Реле поворотов 6422.37473. Реле поворотов 494.37474. Реле поворотов 495.37472.3.16. Реле указателя поворотов на КР512ПСЮ2.3.17. Бесконтактные реле поворотов для мотоциклов1. Реле указателя поворота для мотоциклов; 2. — ИЖРП-2С2.3.18. Контактные реле поворотов для мотоциклов2.4. Поиск неисправности в системе световойсигнализации поворотов и аварийной сигнализации3. Выключатели аварийной сигнализации3.1. Схемы коммутации выключателей аварийной сигнализации3.2. Замена выключателей аварийной сигнализации4. Микросхемы, применяемые в электронных реле поворотов4.1. Микросхемы серии К2244.2. Микросхемы серии К561, К176, К1554.3. Таймеры: КР1006ВИ1, УР1101АГ1,1N555 и их замена4.4. Микросхема МС33193 (IL33193, КРЮ55ГПЗ, УР1101ХП27)4.5. Микросхема 1L33193-014.6. Микросхема КР1055ГП14.7. Микросхемы УР1101XII23 и УР1101ХП325. Проверка и замена радиоэлементов6. Справочный материал6.1. Международная система единиц6.2. Кодовая и цветовая маркировка резисторов6.3. Параметры и цветовая маркировка диодовЛитература
Нюансы использования огней
Существует специальный ГОСТ, который определяет и регламентирует установки, технические параметры и само подключение дневных ходовиков.
В регламенте указывается, что схема должна применяться такая, дабы ходовики включались автоматически, когда происходит поворот ключа в замке зажигания. То есть при пуске силовой установки. Но также ДХО обязаны в автоматическом режиме выключаться, как только в работу вступают фары основного света. Здесь, как вы понимаете, речь идет о блоке головных фар (ближний или дальний свет). Также есть правило, указывающее на то, что головной свет должен включаться лишь тогда, когда включаются габариты. Исключением являются кратковременные сигналы для предупреждения других водителей.
Исходя из сказанного выше, можно смело говорить, что через кнопку ДХО выводить не стоит. Так же как и через ручник. А вот в поворотники вмонтировать можно, но тут потребуется подключить 2 дополнительных провода от каждого поворотника.
Все это крайне важно учитывать, подключая ходовики. Ведь вас должно волновать не только то, чтобы не перегорали лампочки
Хотя и это крайне значимый момент.

Без продуманной и грамотной схемы самостоятельно поставить ДХО точно не получится. Ведь все должно работать с отключением при включении дальнего или ближнего света.
Существует целый ряд схем, по которым в теории можно поставить на свою машину ДХО при их отсутствии в штатной комплектации своего автотранспортного средства. Вопрос лишь в том, какую именно схему лучше задействовать.
Немаловажную роль играет стабилизатор напряжения, о котором ходит много споров при использовании диодных ходовых огней. Сами ДХО оснащаются резисторами, которые выполняют функцию ограничителя тока. Но при перепадах напряжения они не способны удерживать напряжение на едином уровне. Потому правильно считать, что применение стабилизатора в такой схеме будет обязательным и необходимым. В противном случае срок службы ДХО существенно сократится из-за регулярных перепадов напряжения. Хотя некоторые до сих пор считают, что подключение можно выполнить без стабилизатора.
Стоит рассмотреть отдельно несколько схем, сделать по ним соответствующие выводы и принять для себя окончательное решение.

Разновидности реле
Реле контроля напряжения однофазное цифровое на DIN-рейку Релейные устройства классифицируются по нескольким параметрам.
Тип переключения
Можно приобрести модели:
- максимальные – повышают параметр напряжения до определенной величины;
- минимальные – понижают показатель до заданного значения.
Порог напряжения пользователем не устанавливается.
Тип активации воспринимающего элемента
Реле промежуточное РП-18-54 220В DC Воспринимающий элемент, по включению которого будет работать прибор, – это электромагнит, магнитоэлектрический узел, индукционная или электродинамическая система. В зависимости от его вида существуют реле:
- первичные с прямым подключением контактов в сеть;
- вторичные – могут подключаться через измерительные индуктивные или емкостные трансформаторы;
- промежуточные – усиливают или преобразуют сигналы первичных/вторичных моделей.
Тип управления нагрузкой
Для управления напряжением применяются модели:
- прямого действия – нагрузка переключается контактами;
- косвенного действия – нагрузку подключаются вторичные элементы.
Нагрузка подается и приостанавливается с определенными промежутками.
Тип поступления сигнала
Герконовое реле В продаже можно найти следующие коммутационные устройства:
- электронные – обеспечивают контроль напряжения в условиях высокой нагрузки. Управляют освещением и узлами автомобиля;
- герконовые – небольшие модели в виде катушки. Предназначены для замыкания, переключения, размыкания сети. Чувствительны к механическим воздействиям и ультразвуку;
- электротепловые – отключают и включают электрический ток по нагреву биметаллической пластины. Используются для электродвигателей на производстве, обустройства однофазной или трехфазной электросети;
- временной выдержки – для создания кратковременных пауз применяются схемы замедления. Приборы работают в автомобилях, светофорах, елочных гирляндах;
- таймеры света – позволяют программировать освещение теплиц, аквариумов, животноводческих комплексов. К ним подключаются нагреватели, вентиляторы;
- электромагнитные – ток статистической обмотки активируется по воздействию магнитного поля. Приборы со средней нагрузкой до 320 А и напряжение до 1,6 кВт могут работать только в сети с постоянным током.
Распиновка реле поворотов
В процессе эксплуатации штатное реле поворотов может выйти из строя и в этом случае требуется его замена. Становится заметна некорректная работа устройства, особенно, когда перестает загораться контрольная лампочка. Основная причина неисправности заключается в неполном замыкании прибора.
В других случаях реле начинает функционировать нестабильно, замыкание релейных контактов происходит с различными временными интервалами. В некоторых случаях значительно снижается уровень громкости звука, сопровождающего работу прибора. Это может создать серьезную проблему на дороге, когда устройство включается незаметно для водителя из-за случайного задевания во время вождения автомобиля.

Данные недостатки устраняются путем замены штатного прибора на электронную конструкцию. В этом случае подключение реле поворотов осуществляется по стандартной схеме, показанной на рисунке. Контакт № 1 является положительным, второй контакт служит для подключения к переключателю поворотов, третий соединяется с контрольной лампочкой, а четвертый подключается к массе.
Все соединения и контакты должны быть надежно заизолированы с помощью изоленты и кембрика, представляющего собой полую пластмассовую оплетку. Это позволяет исключить возможные замыкания с другими проводниками. Определенные неудобства создает пластмассовый корпус электронного реле, который не всегда помещается на штатное место расположения. Однако домашние мастера довольно легко преодолевают это затруднение и находят наиболее оптимальное техническое решение.
Для чего нужны реле поворотов
Реле поворотов, также именуемое реле-прерывателем, обеспечивают корректную работу указателей поворотов. В отличие от других световых приборов поворотники работают прерывисто, то есть мигают
Этим обеспечивается дополнительное внимание окружающих к намерению водителя транспортного средства совершить маневр: перестроиться в другую полосу, совершить поворот и т. д
Прерывистую работу указателей поворотов и обеспечивает реле-прерыватель
Оно замыкает и размыкает электрическую цепь, благодаря чем лампы поворотников и мигают, привлекая внимание окружающих. Также реле-прерыватель дополнительно обеспечивает создание звукового щелчка, который напоминает водителю автомобиля о включенном переключателе поворотников
И последняя функция реле поворотов — работа аварийной сигнализации, поэтому в современных авто работа указателей поворотов и аварийки обеспечивается одним реле.
Отсутствие мигания указателей поворотов приравнивается к их неисправности, поэтому поломка реле не позволит водителю пройти техосмотр. Также некорректная работа поворотников расценивается как невыполнение требований ПДД о предупреждении других водителей о совершении маневра и может привести к штрафу со стороны ГИБДД в размере 500 рублей.

Механизм реле
Основные элементы электромагнитного реле Релейный прибор выполняется в виде катушки, обвитой большим количеством медной проволоки. Внутри нее расположен сердечник-стержень из металла, зафиксированный на ярме – Г-образной пластине. Поверх сердечника и катушки находится якорь – металлическая пластина, которая удерживается возвратная пружина. К якорю прикреплены подвижные контакты, а напротив них – неподвижные.
Узел из катушки и сердечника – электромагнит, а узел из сердечника, якоря и ярка – магнитопровод. Контакты обеспечивают управление электроцепью, размыкая и замыкая ее.
Электронное реле: схема и принцип работы
Конструкция электронного реле поворотов состоит из двух основных частей. Из стандартного электромагнитного реле, выполняющего коммутацию и электронного ключа, обеспечивающего определенную частоту срабатывания данного устройства.
Нихромовая струна заменена электронным ключом. С его помощью происходит подача и снятие напряжения с обмотки электромагнитного реле в определенные промежутки времени. Основой ключа служат микросхемы или дискретные элементы. Они являются составными элементами задающего генератора и цепей управления.
Принцип работы электронного реле очень простой. Когда напряжение подается на реле, в работу включается задающий генератор. С его помощью формируются управляющие импульсы с различной частотой, которые поступают к цепям управления. Посредством импульсов подается или прерывается ток, проходящий по обмотке электромагнитного реле. Такие действия заставляют якорь поочередно притягиваться или опускаться. В результате, происходит замыкание или размыкание контактных групп с определенной частотой, обеспечивая такое же мигание сигнальных ламп.

Все электронные элементы реле смонтированы на отдельной плате. Электромагнитное реле располагается над платой. Оба они размещаются в пластиковом корпусе. Контакты выводятся наружу снизу или сбоку. Для крепления корпуса имеются отверстия и проушины под болтовые соединения.
Каждое электронное реле поворотов обладает несомненными преимуществами перед другими конструкциями. Они зарекомендовали себя качественными и технологичными устройствами, изготовленными на основе современных схем, отличающихся повышенной надежностью. Технические характеристики этих приборов остаются неизменными, независимо от срока эксплуатации.
Читать дальше: Трамблер на змз 406
Как подключается электромагнитное реле?
Но если посмотреть более внимательно, то схема реле поворотов несколько иная, основана она на других принципах. Для того чтобы осуществить включение устройства при помощи реле, необходимо на катушку подать постоянное напряжение (один конец постоянно соединен с массой, а второй с плюсом через кнопку с фиксатором или выключателем).

В автомобилях с бортовой сетью 12 Вольт используются устройства номинального напряжения. В случае с машинами, в которых напряжение 24 Вольт, необходимо применять и устройства с соответствующими параметрами. Нагрузка подключается к источнику питания, а в разрыв одного провода устанавливается нормально разомкнутая группа электромагнитного реле. Теперь при подаче напряжения на обмотку контакты замыкаются и включают цепь нагрузки.
Принцип работы
Конструкция электронного реле поворотов состоит из двух основных частей. Из стандартного электромагнитного реле, выполняющего коммутацию и электронного ключа, обеспечивающего определенную частоту срабатывания данного устройства.
Нихромовая струна заменена электронным ключом. С его помощью происходит подача и снятие напряжения с обмотки электромагнитного реле в определенные промежутки времени. Основой ключа служат микросхемы или дискретные элементы. Они являются составными элементами задающего генератора и цепей управления.
Принцип работы электронного реле очень простой. Когда напряжение подается на реле, в работу включается задающий генератор. С его помощью формируются управляющие импульсы с различной частотой, которые поступают к цепям управления. Посредством импульсов подается или прерывается ток, проходящий по обмотке электромагнитного реле. Такие действия заставляют якорь поочередно притягиваться или опускаться. В результате, происходит замыкание или размыкание контактных групп с определенной частотой, обеспечивая такое же мигание сигнальных ламп.
Все электронные элементы реле смонтированы на отдельной плате. Электромагнитное реле располагается над платой. Оба они размещаются в пластиковом корпусе. Контакты выводятся наружу снизу или сбоку. Для крепления корпуса имеются отверстия и проушины под болтовые соединения.
Каждое электронное реле поворотов обладает несомненными преимуществами перед другими конструкциями. Они зарекомендовали себя качественными и технологичными устройствами, изготовленными на основе современных схем, отличающихся повышенной надежностью. Технические характеристики этих приборов остаются неизменными, независимо от срока эксплуатации.
Как работает электромагнитно-тепловое реле
Данные приборы уже не используются в современных автомобилях. Однако в старых моделях они до сих пор находят широкое применение.

Конструкция электромагнитно-теплового реле довольно простая, в ней используется схема подключения поворотников через реле электромагнитного типа. Оно изготавливается в виде цилиндрического сердечника, а в качестве его обмотки используется тонкий медный провод. Вверху сердечника располагаются две группы контактов, а с каждой стороны установлены металлические якоря. Первая группа контактов замыкает цепь, где имеется контрольная лампочка, расположенная на панели приборов. С помощью других контактов происходит замыкание цепи с лампами в указателях поворотов. Именно они обеспечивают мигающий режим.
К якорю основной группы контактов крепится тонкая нихромовая струна. Она оттягивает якорь от контакта, который расположен на сердечнике. Таким образом, цепь будет разомкнутой, что для нее является нормальным положением. Сам сердечник установлен на специальной изолированной площадке, где также осуществляется крепление и противоположного конца струны. В процессе работы через струну проходит электрический ток, поскольку она вместе с резистором находится в цепи выключателя. Все элементы устройства размещаются в цилиндрическом металлическом корпусе.

Принцип работы электромагнитно-теплового реле очень простой. Когда включается сигнал поворота, происходит замыкание цепи. Под действием тока нихромовая струна нагревается, а ее длина увеличивается. Якорек, который ранее был оттянут, притягивается сердечником, выпрямляется и в течение короткого времени выполняет замыкание контактов. Из-за этого лампы поворотов начинают светить в полный накал. Ток проходит мимо струны, из-за чего она остывает и вновь укорачивается. В результате, происходит оттягивание якорька от сердечника, что приводит к размыканию контактов. Лампы прекращают светить, затем, весь цикл возобновляется. Нихромовая струна нагревается и остывает очень быстро, обеспечивая мигание ламп со средней частотой 60-120 раз в течение минуты.
Мигание лампочки, расположенной на панели, также связано с работой основной группы контактов. Поэтому она работает синхронно с сигнальными лампами. Звуковые мини-сигналы в виде характерных щелчков появляются, когда якорек и контакты замыкаются и размыкаются, ударяясь друг об друга.
Существенным недостатком данного устройства является постепенное растягивание струны, нарушающее нормальную работу реле. Поэтому, в настоящее время эти приборы заменены более современными конструкциями электронных реле.
Как работает реле поворотов РС 401 24 вольта?
Реле поворотов РС 401 24 вольта предназначено для управления поворотными сигналами или указателями поворота на автомобилях, мотоциклах и других транспортных средствах. Это электромеханическое устройство, которое осуществляет переключение контактов в зависимости от сигнала, поступающего с рулевого колеса.
Когда водитель поворачивает рулевое колесо влево или вправо с помощью указателя поворота, механизм реле поворотов РС 401 24 вольта активируется. Оно получает сигнал от переключателя указателей поворота и запускает работу электромагнитных катушек и контактов.
Когда реле поворотов активируется, электромеханический механизм производит переключение контактов, что приводит к замыканию и размыканию электрических цепей для работы поворотных указателей. Это создает мигающие сигналы, указывающие на намерение водителя поворачивать.
Реле поворотов РС 401 24 вольта обладает несколькими особенностями, делающими его надежным и эффективным устройством:
-
Низкое энергопотребление: Реле использует небольшое количество энергии для своей работы, что позволяет экономить заряд аккумулятора транспортного средства.
-
Высокая степень защиты от внешних воздействий: Реле обычно имеет защиту от влаги и пыли, что увеличивает его долговечность и надежность.
-
Простота установки и подключения: Реле имеет компактный размер и простые соединения, что облегчает его установку на транспортном средстве.
-
Долговечность и надежность: Реле поворотов обычно изготавливают из высококачественных материалов, что обеспечивает его долгий срок службы и стабильную работу.
В итоге, реле поворотов РС 401 24 вольта является важной частью электрической системы транспортного средства, обеспечивающей безопасность и информированность других участников дорожного движения о вознамеривающемся повороте водителя
Причины неисправностей
Неисправности реле поворотов обычно связаны с нарушением электромагнитной проходимости в самом реле. Причиной могут скрываться в подгорании или замыкании контактов, вздувшихся конденсаторах, выходе из строя электронной схемы и т. д. Обычно причину выхода из строя реле можно опознать по характерным проявлениям неисправности.
- В том случае, если поворотники горят постоянно и не мигают, то, вероятнее всего, причиной неисправности является поломка электромагнитной части реле. Чаще всего в этом виновато замыкание контактов из-за их подгорания.
- Нехарактерное мигание указателей поворотов (слишком частое или слишком редкое) также может быть связано с реле поворотов. Однако в этом случае можно искать проблему и в других местах. Возможные причины такого поведения указателей могут крыться в окислении патрона или цоколя ламп либо обрыве провода, идущего к лампам. Также такое явление часто встречается после замены стандартных ламп накаливания в указателях поворотов на светодиоды. Если ни одна из этих возможных причин не подтвердится, то, вероятнее всего, поломка все же кроется в реле.
- Еще один вариант некорректной работы реле поворотов проявляется в том, что лампы указателей не горят вовсе. Такое явление встречается в случае сгорания контактов реле. Однако такое проявление неисправности характерно и для других поломок: перегоревшем предохранителе, обрыве цепи либо сломанном переключателе поворотов.
Реле поворотов КамАЗ поиск неисправностей
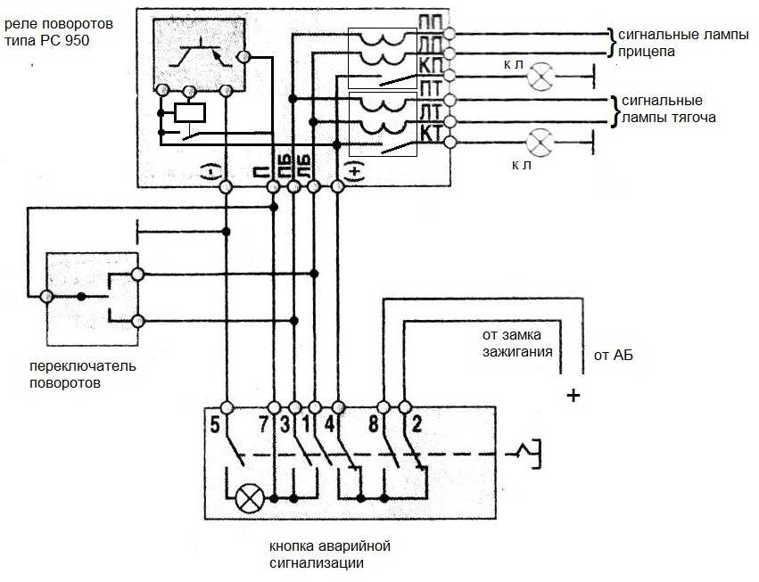
При поиске неисправности указателей реле поворотов КамАЗ РС 950 необходимо учитывать его конструктивную особенность. Если на тягаче сигнальные лампы не работают, а на прицепе исправны, и на оборот значит электромагнитное реле и схема управления им исправна. Причина, скорее всего в сгоревшей обмотке геркона или реле контрольной лампы. Именно это является частой причиной неисправности указателей поворотов. Но эта неисправность так же может быть следствием короткого замыкания в цепи сигнальных ламп.
Остальные неисправности такие же, как и при применении других реле поворотов: неисправность предохранителей, кнопки аварийной сигнализации, обрыв или замыкание на массу проводов на сигнальные лампы и так далее. Ниже приведена принципиальная схема подключения реле поворотов КамАЗ.

Самостоятельный ремонт
Ремонт вышедшего из строя реле поворотников обычно заключается в замене детали. Ее стоимость не настолько велика, чтобы осваивать курс радиоэлектроники и пытаться отремонтировать вышедшее из строя реле. Само реле поворотов находится в блоке реле и предохранителей, обычно он располагается под передней панелью автомобиля. В некоторых моделях автомобилей реле поворотов вынесено в отдельный разъем.
Замена реле не представляет собой ничего сложного. Для этого нужно определить его точное месторасположение (можно найти в мануале к конкретной модели автомобиля или подсмотреть схему в интернете). Сломанное реле демонтируется, а новое устанавливается в релейный блок или в отдельный разъем. Напряжение нового блока должна соответствовать питанию электросети автомобиля (12 или 24 вольт).

Для тех, кто все же предпочитает самостоятельный ремонт, можно дать несколько советов. Если у реле подгорели контакты, то можно попробовать их зачистить, однако такой меры вряд ли хватит надолго. Также нужно подпаять оборванные контакты, если имеются подобного типа повреждения. Если имеются трещины в силовых выводах реле, то их также нужно подпаять. Потерявшие емкость или вздувшиеся конденсаторы следует заменить на новые.
Естественно, для подобного ремонта необходимо иметь паяльник и уметь им пользоваться. Ремонт реле в этом случае ничем не отличается от ремонта любой радиоэлектронной детали. Понадобятся флюс и припой, также при замене конденсаторов необходимо не забывать о правильной полярности.
Настройка и испытания реле поворотников
Для пробы в качестве нагрузки можно подключить несколько мощных светодиодов. Минус нагрузки подключаем напрямую к минусу источника питания, а плюс заводим на плату. Если же для проверки используется лампочка, подключать её можно любой полярностью.
Подаём напряжение, и лампочка сразу же начинает мигать. Частоту мигания можно менять в широких пределах, именно поэтому данной схеме можно найти множество других применений, кроме использования в качестве реле поворотников. Например, с её помощью можно сделать задний мигающий фонарь для велосипеда, достаточно лишь увеличить частоту вспышек уменьшением ёмкости конденсатора. Схема может коммутировать большую мощность – до нескольких сотен ватт, если применить полевой транзистор, рассчитанный на соответствующий ток.
При мощности более 100 ватт транзистор желательно установить на небольшой радиатор, иначе возможен его нагрев при долговременной работе. Такая схема, в отличие от традиционного электромеханического реле не имеет подвижных частей, поэтому она значительно долговечнее, если использовать при детали надлежащего качества. При необходимости, в цепь последовательно с нагрузкой включается также предохранитель, обозначенный на схеме как FU1. Удачной сборки.
Реле поворотов своими руками
Иногда возникают ситуации, когда штатное реле поворотов выходит из строя и нет возможности приобрести новый прибор. В подобной ситуации можно попытаться сделать реле поворотников своими руками, чтобы обеспечить автомобиль необходимыми сигналами. Простейшие электронные устройства, которые возможно создать самостоятельно, просты и удобны в эксплуатации, работают бесперебойно и надежно. Высокая точность достигается за счет использования ШИМ-контроллеров, используемых во всех схемах.

Самый простой заменитель электромагнитного реле рассчитан на максимальную мощность нагрузки 150 Вт. Она подключается в разрыв плюсовой клеммы. Если полевой ключ IRFZ44 заменить на модель IRF3205, то можно подключить и 200 Вт. Такая несложная схема обеспечивает высокую точность функционирования. Частота мигания не зависит от мощности лампочек, поэтому в схему можно включать светодиодные, галогенные и другие лампы.
Периодичность мигания напрямую связана с емкостью конденсатора. При увеличении емкости, мигание лампочки будет более редким, и, наоборот, снижение емкости приведет к ускорению мигания. Маломощный диод 1n4148 может быть заменен любым аналогичным элементом. При достижении схемой мощности 80 Вт, в области полевого транзистора наблюдается незначительное выделение тепла. Это означает, что она готова к использованию.
Существует еще одна несложная схема реле поворотов с катушкой – простая, надежная и недорогая. Она способна зажигать как обычные лампочки, так и светодиодные и рассчитана на 12 В. Подключение контактов осуществляется по принципу обычного выключателя, то есть последовательно с лампочкой. Светодиод устанавливается в цепь в качестве индикатора на время наладочных работ. Параметры устройства регулируются путем изменения сопротивления резистора.
Маз 5440 / 6430 евро – предохранители и реле
Загрузок: Скачать схему подключения реле поворотов рс а ваш запрос. На эта. Реле указателей поворота ВАЗ классика. Проверка, схема, принцип работы.







На автомобиле КамАЗ схема подключения указателей поворотов точно такая же, как на большинстве грузовых автомобилей. Так как эти автомобили часто используются в качестве тягачей для прицепов или полуприцепов, то появляется необходимость контроля работы сигнальных ламп не только на автомобиле, но и на прицепе. В качестве прерывателя сигнальных ламп используется реле типа РС или аналогичные. Основным отличием такого реле является подключение контрольных ламп, которые не просто позволяют контролировать включение поворотов, но и позволяют контролировать работу сигнальных ламп. Кроме этого реле позволяет контролировать работу сигнальных ламп отдельно на автомобиле и на прицепе. Конструкция реле различной марки и выпущенных на разных заводах может отличаться электронной схемой управления электромагнитным реле, которая может быть собрана на микросхеме или отдельных деталей.
- Блок предохранителей МАЗ: схема расположения — Авто+
- Все права на любые материалы, опубликованные на сайте ATI.
- By wowanych1 , May 25, in admin. Вот у меня возникла такая проблема, есть автомобиль МаЗ все люди кто живёт в бывшем советском союзе знают что это за машина и какая у неё електропроводка постоянно коротит или выгорает, ну я не о том, в общем дело обстоит так в продаже електронных реле поворотов не нашел на 24 вольта а покупать от больших ино машин стоит очень дорого и не оправдано, а те что есть в продаже допотопные которые и день не отрабатывают и стоят нормальных денег.
- Не удалось определить ваш город. Личный кабинет.
- Реле поворотов на маз схема | My First JUGEM
- Блок предохранителей МАЗ представляет собой устройство, в котором располагаются предохранительные элементы, предназначенные для предотвращения поломки электрических устройств и оборудования. На самом модуле располагается защитная крышка, на которую нанесена информация с метками.
- Все современные автомобили оснащаются световыми устройствами, призванными указать остальным участникам движения, в какую сторону будет разворачиваться транспортное средство. Их еще называют световыми указателями поворота.
- Установлен в блоке бортовой системы контроля автомобиля МАЗ. Минск, ул.




В статье указана стандартная распиновка электрики. Если фаркоп устанавливали самостоятельно, тогда надеемся, эта статья окажется для вас полезной. Если Вам необходима схема подключения прицепа распиновка розетки фаркопа, Вы можете воспользоваться информацией, расположенной ниже
Обратите внимание, что на прицепах МЗСА к 5-у сигналу ничего не выводиться






























