Таймер циклического включения-выключения. Циклическое реле времени своими руками
схема на 12 и 220 вольт
В современном оборудовании часто необходим таймер, т. е. устройство, которое сработает не сразу, а через промежуток времени, поэтому его еще называют реле задержки. Прибор создает временные задержки включения или выключения других устройств. Его не обязательно приобретать в магазине, ведь грамотно сконструированное самодельное реле времени будет эффективно выполнять свои функции.
Сфера применения реле времени
Области использования таймера:
- регуляторы;
- датчики;
- автоматика;
- различные механизмы.
Все данные устройства делятся на 2 класса:
- Циклические.
- Промежуточные.
Первое считается самостоятельным прибором. Он подает сигнал через заданный временной промежуток. В автоматических системах циклическое устройство включает и отключает необходимые механизмы. С его помощью управляют освещением:
- на улице;
- в аквариуме;
- в теплице.
Циклический таймер является неотъемлемым устройством в системе «Умный дом». Его применяют для выполнения следующих задач:
- Включение и выключение отопления.
- Напоминание о событиях.
- В строго указанное время включает необходимые устройства: стиральную машинку, чайник, свет и др.
Кроме вышеуказанных, есть еще отрасли, в которых эксплуатируется циклическое реле задержки:
- наука;
- медицина;
- робототехника.
Промежуточное реле используется для дискретных схем и служит вспомогательным устройством. Оно осуществляет автоматическое прерывание электрической цепи. Сфера применения промежуточного таймера реле времени начинается там, где необходимы усиление сигнала и гальваническая развязка электрической цепи. Промежуточные таймеры разделяются на виды в зависимости от конструктивного исполнения:
- Пневматические. Срабатывание реле после поступление сигнала не происходит мгновенно, максимальная время срабатывания — до одной минуты. Используется в цепях управления металлорежущих станков. Таймер управляет приводами для ступенчатой регулировки.
- Моторные. Диапазон установки временной задержки начинается с пары секунд и заканчивается десятками часов. Реле задержки являются частью цепей защиты воздушных линий электропередач.
- Электромагнитные. Предназначены для цепей постоянного тока. С их помощью происходят разгон и торможение электропривода.
- С часовым механизмом. Основной элемент — взведенная пружина. Время регулирования — от 0,1 до 20 секунд. Используются в релейной защите воздушных линий электропередач.
- Электронные. Принцип действия построен на физических процессах (периодические импульсы, заряд, разряд емкости).
Схемы различных реле времени
Существуют разные варианты исполнения реле времени, схема каждого вида имеет свои особенности. Таймеры можно изготовить самостоятельно. Перед тем как сделать реле времени своими руками, необходимо изучить его устройство. Схемы простых реле времени:
- на транзисторах;
- на микросхемах;
- для выходного питания 220 В.
Опишем каждую из них более подробно.
Схема на транзисторах
Необходимые радиодетали:
- Транзистор КТ 3102 (или КТ 315) — 2 шт.
- Конденсатор.
- Резистор номиналом 100 кОм (R1). Также понадобится еще 2 резистора (R2 и R3), сопротивление которых будет подбираться вместе с емкостью в зависимости от времени срабатывания таймера.
- Кнопка.
При подключении схемы к источнику питания начнет заряжаться конденсатор через резисторы R2 и R3 и эммитер транзистора. Последний откроется, поэтому на сопротивлении будет падать напряжение. В результате откроется второй транзистор, что приведет к срабатыванию электромагнитного реле.
При заряде емкости ток будет уменьшаться. Это вызовет снижение эммитерного тока и падения напряжения на сопротивлении до того уровня, которое приведет к закрытию транзисторов и отпускания реле. Чтобы запустить таймер заново, потребуется кратковременное нажатие кнопки, которое вызовет полную разрядку емкости.
Для увеличения временной задержки используют схему на полевом транзисторе с изолированным затвором.
На базе микросхем
Применение микросхем уберет необходимость разряжать конденсатор и подбирать номиналы радиодеталей для выставления необходимого времени срабатывания.
Необходимые электронные компоненты для реле времени на 12 вольт:
- резисторы номиналом 100 Ом, 100 кОм, 510 кОм;
- диод 1N4148;
- емкость на 4700 мкФ и 16 В;
- кнопка;
- микросхема TL 431.
Положительный полюс источника питания должен соединяться с кнопкой, параллельно к которой подключен один контакт реле. Последний также подключается к резистору 100 Ом. С другой стороны рези
Функции и принцип работы
Устройство является типовым реле времени, которое работает по принципу размыкания электрической цепи через равные промежутки времени. Так задается алгоритм на включение и выключение основных узлов. Таймер автоматизирует процесс поворота лотков в инкубаторе и максимально упрощает уход за яйцами.
Основные задачи:
- включение или отключение освещения;
- регулирование температуры;
- принудительная вентиляция;
- реализация переворота для инкубатора.
Важно отметить, что не каждая микросхема подходит для перенастройки в реле времени. Главное условие – высокое сопротивление подключаемого элемента при низком напряжении тока
Рекомендуется применять платы собранные по КМОП технологии, т.е
с наличием n и p канальных транзисторов
Рекомендуется применять платы собранные по КМОП технологии, т.е. с наличием n и p канальных транзисторов.
Чтобы реле было надежным и долговечным, нужно использовать специализированную схему подключения. Наиболее простые в реализации:
- К176ИЕ5;
- КР512ПС10.
Первый таймер выполняет цикл:
- включение;
- настраиваемая пауза;
- подача импульсов на светодиод (32 шт.);
- отключение резистора;
- подача заряда на узел;
- размыкание цепи;
- повтор.
Главное достоинство данной схемы в ее простоте. Любой шаг может быть настроен в соответствии с особенностями технологического процесса созревания яиц.
Схема К176ИЕ5
Схема КР512ПС10 не намного сложнее, однако обладает расширенным функционалом, который достигается за счет наличия предустановленных входов с заданными коэффициентами деления. Для наглядности рассмотрим чертеж:
Схема КР512ПС10
Чтобы задать временной интервал, необходимо настроить R1, C1 и установить соответствующее число перемычек. Доступные конфигурации:
- 0,1-60 секунд;
- 1-60 минут;
- 1-24 часа.
При необходимости есть возможность расширить временной интервал до 2-3 суток, однако это потребует установки более мощных резисторов. В отличие от предыдущей схемы, КР512ПС10 работает нециклично, доступны два режима:
- переменный, задается перемычкой S1, цепь размыкается через равные промежутки, время работы равно времени простоя;
- постоянный, цепь включается с установленной задержкой и не размыкается до тех пор, пока не отключить питание.
Обе схемы продаются в магазинах радиотоваров. Если воспользоваться инструкцией, их подключение не вызовет сложностей даже у новичков
Рассмотрим, как сделать самодельный таймер для инкубатора, и определим основные моменты, на которые стоит обратить внимание
Основные рабочие характеристики
Промышленное реле на 24В
Итак, реле переменного тока является промежуточным элементом, который приводит в действие управляемую электрическую цепь.
Для этого устройства характерны следующие параметры:
- Мощность срабатывания (Р ср – измеряется в Ваттах) – ток минимальной мощности, который должен подаваться на реле для его нормальной активации. Номинально этот параметр подбирается согласно общим конструктивным и электрическим параметрам реле.
- Мощность управления (Р упр – измеряется в Ваттах) – максимальная мощность тока, которую способно передать реле в коммутируемой сети. Данное значение определяется параметрами рабочих контактов реле.
- Время срабатывания (Т ср – измеряется в секундах) – разница во времени от момента поступления сигнала на управляющий контакт до смыкания или размыкания контактов.
- Допустимая разрывная мощность (Р р – измеряется в Ваттах) – этот параметр можно встретить в сильноточных реле. Он обозначает мощность при определенном токе, которая при разрыве не позволит создать устойчивую электрическую дугу.
Как работает реле
Диаграмма работы реле во времени
Для управляющей цепи и самого реле характерна некоторая инертность, из-за чего входной ток на реле растет и убывает не мгновенно, а изменяется в некоторых пределах в течение времени, что прекрасно видно на показанной выше схеме, из которой так же понятно, что рабочий цикл состоит из трех этапов:
- Срабатывание;
- Работа;
- Возврат.
Давайте в качестве примера, для понимания основных принципов возьмем электромагнитное реле постоянного тока.
Назад в будущее: реле из 1983 года
- Внутри такого реле имеется катушка индуктивности, благодаря которой и происходит постепенное изменение параметров тока. Сама же работа реле для каждого этапа складывается из определенных временных отрезков.
- Срабатывание – имеет два таких интервала: время трогания (tтр) и время на движение якоря(tдв). То есть Т ср = tтр+tдв – все просто.
- Работа – также два участка, которые обозначены на временной линии отрезками АВ и ВС. На первом этапе ток продолжает еще какое-то время расти, пока не будет достигнуто установленное значение, что позволяет обеспечить надежное притяжение между якорем и сердечником, препятствующим вибрации якоря. На втором участке никаких изменений величины тока не происходит.
- Возврат – аналогично, 2 участка. На первом происходит отпускание реле, а на втором – возврат в исходное состояние. На протяжении всего периода сила тока падает.
Трехфазное реле переменного тока
Прочие характеристики
Помимо перечисленного, у реле разных типов в ходу следующие параметры:
- Коэффициент возврата (Kb) – отношение отпускающего тока к срабатывающему. Обычно данное значение варьируется от 0,4 до 0,8. Рассчитывается по формуле: Iот/Iср < 1.
- Коэффициент запаса (К зап) – это отношение тока установившегося (I уст), то есть максимального к току срабатывания. Это значение показывает, насколько надежен выбранный прибор.
- Последний параметр называется коэффициентом управления (К упр) и представлен отношением мощности управления к мощности срабатывания. То есть если реле используется как усилитель, то мы видим коэффициент этого усиления.
Ответы на часто задаваемые вопросы
В конце статьи ответим на несколько наиболее часто задаваемых вопросов.
Вопрос.
Какой вариант предпочтительнее реле на 12 В и промежуточное на 220 или сразу рассчитанное на высокое напряжение?
Ответ.
Первый вариантболее безопасен при настройке, второй проще в монтаже.
Вопрос.
Какое реле предпочтительнее механическое или электронное?
Ответ.
Механические дешевле, электронные понадежности и функциональности их превосходят.
Вопрос.
Импортные устройства более надежны?
Ответ.
Российские стандарты жестче зарубежных, поэтому предпочтительнее выбирать отечественные устройства.
Схема работы манометра ЭКМ вместе с пускателем и реле
С появлением на рынке все большего числа технических новинок, появляется куча вопросов о том, как их применять. Вот об одном таком устройстве, а именно электроконтактном манометре ЭКМ, я и расскажу в своей статье.
Этот прибор используется для того, чтобы контролировать давление в системах водоснабжения (водопровод можно рассматривать в качестве частного случая).
Узлы, имеющие в своем составе этот прибор, кроме того, помогают управлять активными элементами системы (к примеру, насосами).
Прибор этот легко может выступить в качестве альтернативы реле давления. Им запросто можно менять реле контроля давления, ведь ЭКМ в полной мере может справиться с задачей включения-выключения того же насоса.
Прежде, чем рассматривать схему включения манометра, весьма неплохо будет ознакомиться с самим манометром и его принципом действия, а так же разобрать его положительные и отрицательные стороны по отношению к реле, контролирующему давление.
Общая информация об устройстве
Реле – это устройство, которое работает по принципу аккумулятора
. По продолжительности рабочего механизма могут быть суточные, недельные, часовые. Устанавливают эти приборы там, где нужен контроль цепей, которые обладают небольшими мощностями. При этом происходит полная изоляция между контрольным и управляемыми проводниками. Реле направлено контролировать одновременно несколько схем, при помощи одного сигнала.
Изначально, реле применялись в междугородных телефонных цепях. Они выполняли функцию усилителя : дублировали сигнал от одного контура к другому и передавали его цепной реакцией. Реле работало в первых компьютерах, выполняло простые команды в логических цепях.
Для чего в реле используется электромагнитное поле
? Оно является амортизатором, который замедляет или полностью обесточивает движение, при резком попадании катушки в среду напряжения. Именно это свойство даёт возможность реле задерживать время: замедляется время подключения якоря к катушке напряжения.
Несколько вариантов таких устройств
Использование реле времени даёт возможность экономить на потреблении электроэнергии, так как свет будет включаться и выключаться автоматически, через установленный промежуток времени.
К512ПС2 (второй вариант)

Содержит внутри усилитель кварцевого генератора, делитель частоты
на 216 и формирователь
импульсов управления шаговым двигателем.
Микросхемы изготовлены по ТМОП (тугоплавкий металл
— окисел — полупроводник) технологии в сочетании со стандартной технологией комплементарных структур. Применение молибденового затвора, а также дополнительного процесса ионного
подлегирования области канала МОП-структур позволило получить достаточно низкие и воспроизводимые
по величине пороговые напряжения (0,6±0,2 В). Для увеличения плотности упаковки
элементов использована двухуровневая разводка.
Альтернативные варианты
Таймера для инкубатора собирается и на платах типа:
- MC14536BCP;
- CD4536B.
Эти микросхемы отличаются тем, что имеют более высокий диапазон питания, до 18 В. На практике получаем расширение по мощности используемых транзисторов, соответственно время паузы и работы увеличивается.
Механизм настройки точно такой же:
- отмерять мигание диода;
- закоротить резистор, отвечающий за паузу;
- замерять точное время работы;
- установить параметры;
- поместить плату в защитный корпус.
В бытовом применении необходимость в подобных решениях возникает редко. Однако на базе указанных плат легко можно сделать реле времени для нагревательного элемента, а в дальнейшем модернизировать его и использовать в качестве автоматики для кормления и подачи воды цыплятам.
В специализированных магазинах продаются уже готовые таймеры для инкубаторов. Поценные варианты в большинстве случаев сделаны в Китае, поэтому качество их работы не всегда находится на высоком уровне.
Сделать реле времени самостоятельно не сложно. Процесс не займет больше 30-40 минут. В результате получите надежную автоматику, четко заточенную под параметры вашего инкубатора.
Детали таймера включения и выключения света
Диоды VD1-VD2 серии КД103, КД522, КД103, КД521, КД102. Транзисторы КТ814А можно поменять на КТ973 или КТ814. произвольный из серии КТ604, КТ815. Помимо счетчика К561ИЕ16, возможно использовать ее иностранный аналог CD4020B. Так же можно использовать и микросхему CD4060, у которой уже имеется тактовый генератор, поэтому светодиод и сопротивление R1 можно убрать. Светодиод – мигающий типа ARL5013URCВ, L816BRSCВ, L56DGD,
Таймер достаточно экономичен в плане энергопотребления. Ток, который потребляет таймер, не учитывая ток реле, составляет около 11 мА.
Активизировать и отключать бытовую технику можно без присутствия и участия пользователя. Большинство выпускаемых в наши дни моделей оснащено реле времени для автоматического запуска/остановки.
Что делать, если точно так же хочется управлять устаревшим оборудованием? Запастись терпением, нашими советами и сделать реле времени своими руками – поверьте, этой самоделке найдется применение в хозяйстве.
Мы готовы помочь вам осуществить интересную задумку и попробовать свои силы на пути самостоятельного электротехника. Для вас мы нашли и систематизировали все ценные сведения о вариантах и способах изготовления реле. Использование представленной информации гарантирует простоту сборки и отличную работу прибора.
В предложенной к изучению статье подробно разобраны опробованные на практике самодельные варианты устройства. Сведения опираются на опыт увлеченных электротехникой мастеров и требования нормативов.
Человек всегда стремился облегчить себе жизнь, внедряя в обиход разные приспособления. С появлением техники на базе электродвигателя встал вопрос об оснащении ее таймером, который управлял бы этим оборудованием автоматически.
Включил на заданное время – и можно идти заниматься другими делами. Агрегат по истечении установленного периода сам отключится. Вот для такой автоматизации и потребовалось реле с функцией автотаймера.
Классический пример рассматриваемого устройства – это в реле в старой стиральной машинке советского образца. На ее корпусе имелась ручка с несколькими делениями. Выставил нужный режим, и барабан крутится в течение 5–10 минут, пока часики внутри не дойдут до нуля.
Электромагнитное реле времени небольшое по габаритам, потребляет мало электроэнергии, не имеет ломающихся подвижных частей и долговечно
Сегодня устанавливают в различную технику:
- микроволновки, печи и иную бытовую технику;
- вытяжные вентиляторы;
- системы автополива;
- автоматику управления освещением.
В большинстве случаев прибор делают на основе микроконтроллера, который одновременно и управляет всеми остальными режимами работы автоматизированной техники. Производителю так дешевле. Не надо тратиться на несколько отдельных устройств, отвечающих за что-то одно.
По типу элемента на выходе реле времени классифицируют на три вида:
- релейные – нагрузка подключается через «сухой контакт»;
- симисторные;
- тиристорные.
Наиболее надежен и устойчив к всплескам в сети первый вариант. Устройство с коммутирующим тиристором на выходе следует брать, только если подключаемая нагрузка нечувствительна к форме питающего напряжения.
Чтобы самостоятельно изготовить реле времени, также можно воспользоваться микроконтроллером. Однако самоделки в основном делаются для простых вещей и условий работы. Дорогой программируемый контроллер в такой ситуации – лишняя трата денег.
Есть гораздо более простые и дешевые в исполнении схемы на основе транзисторов и конденсаторов. Причем вариантов существует несколько, выбрать для своих конкретных нужд есть из чего.
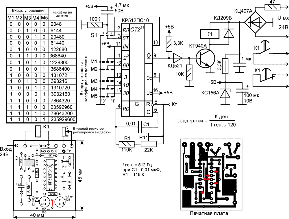
Импульсный блок питания на транзисторах и таймер на КР512ПС10 (12В-1,2А)
Микросхема «КРПС10» временное устройство с переменным коэффициентом деления — предназначена для применения в бытовых таймерах и устройствах управления временной задержкой, электромеханических часах, реле времени и в качестве генератора импульсов низкой и инфранизкой частоты. Микросхема представляет собой RC-генератор и управляемый делитель частоты с переключаемым коэффициентом деления, состоящий из нескольких счетчиков, коммутируемых подачей сигналов высокого уровня на установочные входы. Максимальное значение коэффициента деления составляет Микросхема изготовлена по технологии КМОП.












Кравцова Виталия Николаевича. Представленные конструкции уникальны. Реле времени широко применяются в быту и промышленной автоматике для получения задержки включения или отключения различных устройств, в схемах сигнализации, в различных бытовых приборах для ограничения времени работы этих устройств, если забыли их выключить. Данные устройства можно использовать для отключения освещения в ванной комнате или туалете через заданное время, автоматического отключения дежурного освещения в подъезде дома или гараже, включения охранной сигнализации через некоторое время, после того, как Вы покинули охраняемый объект, в качестве таймера газовой или электроплиты, чтобы не забыть про оставленный пирог, автоматического отключения электроутюга и т. Как правило, в схемах реле времени используют специализированные микросхемы — счётчики с предустановкой коэффициента деления и встроенным задающим генератором, что позволяет изменять параметры устройства в очень широких пределах.









Для экономии электроэнергии, увеличения срока службы радиоаппаратуры и повышения безопасности её использования целесообразно ограничивать время работы различных аппаратов от электросети В переменного тока. Для реализации такой функции потребуется таймер, который после истечения заданного времени обесточит подключенную к нему нагрузку. Конструкция, о которой пойдёт речь, представляет собой два различных устройства, электрически соединённые вместе — аналоговый таймер и импульсный блок питания. К выходу таймера можно подключить и другие аппараты, рассчитанные на питание от напряжения сети В, например, блоки питания оргтехники, видеопроигрыватели, энергосберегающие электролюминесцентные и светодиодные осветительные лампы, зарядные устройства, мобильные телевизоры, фоторамки. Возможно также подключение к этому таймеру обычных трансформаторных БП, сетевых электропаяльников, ламп накаливания и другой нагрузки, потребляющей мощность до 30 Вт. Этот таймер особенно удобно применять на железнодорожном и автотранспорте для ограничения времени работы потребителей электроэнергии, работающих от преобразователей напряжения постоянного тока в В переменного тока, что экономит ресурс бортовых и резервных аккумуляторов и снижает нагрузку на автономные генераторы напряжения.







Что такое таймеры, реле паузы, задержки
Сразу оговоримся: самодельные автотаймеры регулируют задержку от нескольких секунд до 10–15 мин. Есть схемы только для вкл. и для вкл./выкл. нагрузки, а также для активации в определенное время суток. Но их диапазон задержки и опции ограниченные, нет функции периодического самостоятельного срабатывания несколько раз и настройки промежутков между такими циклами, как у розеточных заводских приборов. Впрочем, возможностей самоделки (есть также в продаже готовые подобные простые модули) хватит для активации вентиляции гаража, освещения в кладовой и подобных не слишком требовательных операций.
Временное реле (таймер, реле паузы, задержки) — это автоматический расцепитель, срабатывающий в момент, выставленный на нем пользователем, включая/выключая (смыкая/размыкая контакты) электроприбора. Таймер чрезвычайно практичный в ситуациях, когда пользователю необходимо, чтобы устройство активировалось или деактивировалось, когда он находится в ином месте. Также такой узел выручит в обычных бытовых случаях, например, подстрахует, когда забывают выключить/включить оснащение.
Таким образом, временное реле исключит ситуации, когда оставили электроприбор включенным, забыли его выключить, соответственно, он перегорел или еще хуже, стал причиной пожара. Включив таймер, можно идти по своим делам, не беспокоясь, что надо будет возвратиться в определенное время для обслуживания оборудования. Система автоматизируется, агрегат сам отключится, когда установленный период на расцепителе истечет.
Где применяют
Многим знакомы пощелкивания в советских стиральных машинках, когда большими градуированным селекторами выставляли определенную задержку до вкл./выкл. Это яркий пример данного устройства: например, выставляли работу на 10–15 мин., барабан крутился это время, затем, когда часы внутри доходили до нуля, стиралка сама выключалась.
Временные реле всегда устанавливают производители в микроволновки, электропечи, электроводонагреватели, автополив. В то же время многие приборы его не имеют, например, освещение, вентиляция (вытяжка), тогда можно докупить таймер. В самом простом виде он выглядит как небольшой прямоугольный блок с селекторами времени и вилкой под обычную розетку («суточные» розетки-таймеры), в которую вставляется. Затем в него вставляют вилку кабеля питания обслуживаемого прибора, настраивают элементами управления на корпусе время задержки. Есть также типоразмеры для размещения путем соединения с линией (с проводами, проводкой, для распредщитков), для интегрирования внутрь приборов.
Устройство, разновидности, особенности
Преимущественно таймеры в заводских электроприборах с расцепителями основываются на микроконтроллере, часто управляющем также всеми режимами работы автоматизированного аппарата, где они установлены. Описанное объединение функций дешевле для производителя, так как не надо изготавливать отдельные микросхемы.
Мы же будем описывать самые простые схемы реле времени с задержкой, только с опцией вкл./выкл. и подбора временной паузы в небольшом диапазоне (до 15–20 мин.):
- для низковольтного питания (5–14 В) — на транзисторах;
- на диодах — для питания напрямую от сети 220 Вольт;
- на микросхемах (NE555, TL431).
Есть специальные заводские модули, их можно купить на интернет площадках (Aliexpress, подобные и специализированные ресурсы), на радиорынках, в спецмагазинах. Полностью кустарные изделия создаются по аналогичным схемам, в основном для несложных задач: элементарное расцепление/сцепление контактов в определенный, задаваемый момент времени, при этом диапазон задержки небольшой от секунд до 15–20 мин.
Как сделать реле с задержкой отключения
Приведенную схему, благодаря особенностям NE555, можно легко переделать в таймер задержки отключения. Для этого необходимо поменять местами C4 и R2-VD4. В таком случае K1 замкнет нагрузку HL1 сразу после включения устройства. Отключение нагрузки произойдет после того, как напряжение на конденсаторе C4 увеличится до 2/3 от напряжения питания, то есть примерно до 8 В.
Недостатком такой модификации является тот факт, что после отключения нагрузки схема будет оставаться под воздействием опасного напряжения. Устранить такой недостаток можно включив контакт реле в цепь подачи питания на таймер параллельно с кнопкой включения (именно кнопкой, а не выключателем!
).
Схема такого устройства с учетом всех доработок приведена ниже:
Обратите внимание, что таймер 555 применен и описан на нашем сайте еще и в другой статье, в которой рассмотрена. Приведенная там схема более надежна, содержит гальваническую развязку и позволяет изменять интервал выдержки времени с помощью регулятора
Выводы и полезное видео по теме
Разобраться с нуля во внутреннем устройстве реле времени часто бывает сложно. У одних не хватает познаний, а у других опыта. Чтобы упростить вам выбор нужной схемы, мы сделали подборку видеоматериалов, в которых подробно рассказывается обо всех нюансах работы и сборки рассматриваемого электронного девайса.
Принцип работы элементов реле времени на транзисторном ключе:
Автоматический таймер на полевом транзисторе для нагрузки 220 В:
Пошаговое изготовление реле задержки своими руками:
Собрать самостоятельно реле времени не слишком сложно — есть несколько схем для реализации этого замысла. Все они основаны на постепенной зарядке конденсатора и открытии/закрытии транзистора или тиристора на выходе.
Если нужен простой прибор, то лучше взять транзисторную схему. Но для точного контроля времени задержки придется паять один из вариантов на той или иной микросхеме.
Если у вас есть опыт сборки такого устройства, пожалуйста, поделитесь информацией с нашими читателями. Оставляйте комментарии, прикрепляйте фотографии своих самоделок и участвуйте в обсуждениях. Блок для связи расположен ниже.
Таймеры, реле времени
Для ускорения вентиляции в санузлах устанавливают вытяжные вентиляторы. Обычно вытяжной вентилятор подключают отдельной проводкой через отдельный выключатель, либо подключают его параллельно осветительному прибору.
Но не всегда есть такая возможность, к тому же, хотелось бы что бы вентилятор включался и выключался автоматически, причем выключаться он должен не сразу после выключения света в помещении, а через несколько минут.
Эксперименты показали, что при обычном дневном свете его сопротивление около 10 кОм, а если его накрыть картонной коробкой сопротивление увеличивается до 200 кОм и более. Если в эту же коробку вдобавок к фоторезистору поместить сотовый телефон, положив фоторезистор на его дисплей, и позвонить на него, – сопротивление фоторезистора падает до 3-5 кОм. Таймер выполнен на микросхеме КР512ПС10, которая именно и предназначена для построения схемы таймера. Вкратце, микросхема представляет собой генератор импульсов, их счетчик-делитель и выходной триггер с открытым входом.
Частота генератора импульсов задается RC-цепью R2-C1, затем эта частота делится счетчиком. Коэффициент деления счетчика зависит от включения его входов (таблица 1). В данном случае выдержка времени получается около 30 минут, но её всегда можно изменить как подбором параметров цепи R2-C1, так и изменением подключения выводов согласно таблице 1. Как уже сказано, датчиком включения осветительного прибора служит фоторезистор FR1, вместе с резистором R1 он образует делитель напряжения. Резистором R1 устанавливают такое состояние, чтобы при выключенном свете и закрытой двери на выводе 2 D1 было напряжение логического нуля.
А при включении света это напряжение увеличивалось до логической единицы. Таким образом, при включении света на вывод 2 D1 поступает единица и таймер запускается, выход (вывод 9) закрывается и на базу VT1 поступает напряжение через R3 и R4. Ключ на VT1 открывается и подает напряжение на светодиод оптопары (твердотельного реле) VS1, которое подает питание на вытяжной вентилятор.
Спустя определенное время (около 30 минут, или другое, зависящее от R2, С1 и подключения входов микросхемы), на выводе 9 открывается ключ, который замыкает этот вывод на общий минус. Ключ на VT1 закрывается и оптопара VS1 выключает вытяжной вентилятор. Микросхема D1 питается от источника, состоящего из диода VD1 и параметрического стабилизатора R5-VD2. Конденсатор С2 сглаживает пульсации. Стабилитрон можно заменить другим на напряжение 5- 6V.
Активизировать и отключать бытовую технику можно без присутствия и участия пользователя. Большинство выпускаемых в наши дни моделей оснащено реле времени для автоматического запуска/остановки.
Что делать, если точно так же хочется управлять устаревшим оборудованием? Запастись терпением, нашими советами и сделать реле времени своими руками — поверьте, этой самоделке найдется применение в хозяйстве.
Мы готовы помочь вам осуществить интересную задумку и попробовать свои силы на пути самостоятельного электротехника. Для вас мы нашли и систематизировали все ценные сведения о вариантах и способах изготовления реле. Использование представленной информации гарантирует простоту сборки и отличную работу прибора.


























