Определение расчетной мощности
Определение расчетной мощности требует учета нескольких факторов, таких как тип и количество используемого оборудования, его энергопотребление, а также потребности в энергии в определенных режимах работы. Для точного определения расчетной мощности необходимо учесть все устройства и энергопотребляющие элементы, которые будут работать одновременно в данной системе.
Расчетная мощность может быть выражена в различных единицах измерения – ваттах (Вт), киловаттах (кВт) или мегаваттах (МВт)
Важно учитывать, что расчетная мощность является оценочным значением и может отличаться от фактического энергопотребления в реальных условиях эксплуатации
Правильное определение расчетной мощности позволяет предотвратить перегрузку системы и повреждение оборудования
Это важно как для безопасности работы системы, так и для оптимизации энергопотребления и экономии ресурсов
Роль проектной мощности в различных областях
Проектная мощность играет важную роль в различных областях и отраслях деятельности, где требуется управление сложными проектами. Вот некоторые примеры, где проектная мощность имеет особое значение:
- Строительство и инженерные проекты: В строительной отрасли и области инженерии проектная мощность позволяет эффективно планировать, координировать и контролировать работы по строительству или реализации инженерных проектов. Благодаря использованию проектной мощности можно оптимизировать использование ресурсов, сократить время выполнения работ и достичь поставленных целей.
- Информационные технологии: В сфере IT проектная мощность помогает организовывать и управлять разработкой программного обеспечения, созданием новых систем и инфраструктуры компаний. Проектная мощность позволяет распределить задачи, определить сроки и ресурсы, а также контролировать выполнение работы и обеспечить успешную реализацию проектов в условиях быстро меняющейся технологической среды.
- Логистика и снабжение: В сфере логистики и снабжения проектная мощность помогает планировать и координировать поставки, управлять запасами и оптимизировать логистические процессы. С помощью проектной мощности можно эффективно организовать работу по доставке товаров, снизить затраты на складскую логистику и повысить уровень обслуживания клиентов
- Маркетинг и реклама: В сфере маркетинга и рекламы проектная мощность позволяет управлять и реализовывать рекламные кампании, разрабатывать и выпускать новые продукты на рынок, анализировать и оптимизировать маркетинговые стратегии. Благодаря проектной мощности можно достичь успеха в конкурентной среде и удовлетворить потребности клиентов.
Таким образом, проектная мощность играет важную роль в различных областях и позволяет эффективно управлять сложными проектами, достигать поставленных целей и обеспечивать успех в конкурентной среде.
Роль сетевой мощности в энергетической системе
Сетевая мощность играет важную роль в энергетической системе, обеспечивая надежный и стабильный поток электроэнергии для потребителей.
Основная функция сетевой мощности заключается в обеспечении электрической энергии распределительной сети, которая затем передается потребителям в домах, офисах, промышленных объектах и других местах.
Сетевая мощность определяется суммой мощностей всех подключенных к сети установок, которые могут производить или потреблять электроэнергию. Это включает в себя электростанции, генерирующие электричество, а также потребителей, использующих электрическую энергию для своих нужд.
Стабильность сетевой мощности является ключевым фактором для энергетической системы. Если спрос на электроэнергию превышает возможности производства, возникают проблемы с подачей энергии, что может привести к отключению электричества. С другой стороны, избыток мощности может привести к перегрузке сети и возникновению аварийных ситуаций.
Чтобы балансировать сетевую мощность, энергетическая система использует различные методы и технологии. Одним из ключевых инструментов является регулирование нагрузки путем контроля энергопотребления и генерации. Например, в периоды пикового спроса можно использовать технологии управления нагрузкой или запускать дополнительные генераторы.
Сетевая мощность также играет важную роль в поддержке устойчивости энергетической системы. В случае отключения одной части системы, другие установки могут автоматически взять на себя нагрузку и обеспечить электроэнергией оставшиеся потребители.
Основные характеристики роли сетевой мощности
Роль
Описание
Обеспечение электроэнергией
Сетевая мощность обеспечивает надежную подачу электроэнергии потребителям.
Балансирование мощности
Энергетическая система балансирует производство и потребление электроэнергии для поддержания стабильного напряжения в сети.
Поддержка устойчивости
Система мощности поддерживает стабильность энергетической системы путем компенсации отключений и перегрузок.
В целом, сетевая мощность является неотъемлемой частью энергетической системы, обеспечивая электроэнергией потребителей и поддерживая ее стабильность и устойчивость.
Установите секционные автоматические выключатели, обеспечивающие селективность защиты по току
Чтобы не доводить дело до отключения всего объекта от электроснабжения из-за перегрузки какой-то отдельной секции, например, секции розеток при одновременном включении нескольких достаточно мощных электрических приёмников, применяют секционные автоматические выключатели.
Они устанавливаются после ПЗР и осуществляют защиту цепей секции от токов короткого замыкания и от перегрузок. Каждый секционный автоматический выключатель защищает одну конкретную секцию. Уставки тока встроенных в них тепловых реле выбираются с таким расчётом, чтобы при перегрузке какой-либо секции раньше отключился защищающий её секционный автомат, не приводя к срабатыванию ПЗР.
Защита секционными автоматическими выключателями эффективна, но не очень удобна.
Во-первых, нагрузка в нескольких секциях может не достигнуть максимального значения, при которой сработал бы секционный автомат, но в сумме оказаться достаточно большой для того, чтобы сработал ПЗР.
Во-вторых, для восстановления защитных функций сработавшего автомата нужно вручную перевести его из нерабочего в рабочее состояние — рычажок из положения «0» (или «выкл.») в положение «1» (или «вкл.»).
Расчет сетевой мощности: методика и формулы
Сетевая мощность – это сумма активной и реактивной мощности, которую потребляет или поставляет нагрузка в электрической сети. Активная мощность измеряется в ваттах (W), а реактивная мощность – в варах (VAR).
Для расчета сетевой мощности необходимо знать значения напряжения (U) и тока (I) нагрузки. Формула для расчета активной мощности (P) выглядит следующим образом:
P = U * I * cos(φ)
Где cos(φ) – коэффициент мощности, который указывает на соотношение между активной и реактивной мощностями. Обычно он находится в диапазоне от 0 до 1.
Для расчета реактивной мощности (Q) используется следующая формула:
Q = U * I * sin(φ)
Формула расчета полной мощности (S) выглядит следующим образом:
S = √(P^2 + Q^2)
Таблица ниже демонстрирует пример расчета сетевой мощности для некоторых нагрузок:
| Нагрузка | Напряжение, U (В) | Ток, I (А) | Коэффициент мощности, cos(φ) | Активная мощность, P (Вт) | Реактивная мощность, Q (ВАР) | Полная мощность, S (ВА) |
|---|---|---|---|---|---|---|
| Лампочка | 220 | 1 | 0.9 | 198 | 26.43 | 200.21 |
| Стиральная машина | 220 | 3 | 0.8 | 528 | 132.99 | 553.82 |
| Холодильник | 220 | 2 | 0.6 | 264 | 104.78 | 288.08 |
Таким образом, расчет сетевой мощности позволяет оценить энергопотребление различных нагрузок и оптимизировать работу электрической сети.
Как рассчитать ток защитного автомата
Для группы розеток, предназначенных для питания бытовых электроприборов на кухне, необходимо подобрать защитный автоматический выключатель. Мощности приборов по паспортным данным составляют 2,0, 1,5 и 0,6 кВт.
Решение. В квартире используется однофазная переменная сеть 220 вольт. Общая мощность всех приборов, подключенных в работу одновременно, составит 2,0+1,5+0,6=4,1 кВт=4100 Вт.
По формуле I = P / U определим общий ток группы потребителей: 4100/220=18,64 А.
Ближайший по номиналу автоматический выключатель имеет величину срабатывания 20 ампер. Его и выбираем. Автомат меньшего значения на 16 А будет постоянно отключаться от перегрузки.
Ниже приводится таблица для скрытой проводки при однофазной схеме подключения квартиры для подбора провода при напряжении 220 В
| Сечение жилы провода, мм2 | Диаметр жилы проводника, мм | Медные жилы | Алюминиевые жилы | ||
| Ток, А | Мощность, Вт | Ток, А | Мощность, кВт | ||
| 0,50 | 0,80 | 6 | 1300 | ||
| 0,75 | 0,98 | 10 | 2200 | ||
| 1,00 | 1,13 | 14 | 3100 | ||
| 1,50 | 1,38 | 15 | 3300 | 10 | 2200 |
| 2,00 | 1,60 | 19 | 4200 | 14 | 3100 |
| 2,50 | 1,78 | 21 | 4600 | 16 | 3500 |
| 4,00 | 2,26 | 27 | 5900 | 21 | 4600 |
| 6,00 | 2,76 | 34 | 7500 | 26 | 5700 |
| 10,00 | 3,57 | 50 | 11000 | 38 | 8400 |
| 16,00 | 4,51 | 80 | 17600 | 55 | 12100 |
| 25,00 | 5,64 | 100 | 22000 | 65 | 14300 |
Как видно из таблицы сечение жил зависит кроме нагрузки и от материала, из которого изготовлен провод.
Разводка однофазного щитка
Например, к щиту подключаются — плита (варочная панель) 7,2 кВт; духовой шкаф 4,3 кВт; кухня 5,5 кВт; комната 3,5 кВт; ванная 3,5 кВт; двигатель 3-фазный 1,5 кВт; розетка 3-фазная.
Рассмотрим такую ситуацию: у вас была однофазная сеть и теперь дали разрешение на проведение трехфазной. В этом случае нужно все потребители распределить по фазам.
Самый мощный прибор это варочная панель (плита) 7,2 кВт, которую нужно посадить на первую фазу. На вторую подключить духовой шкаф и комнату. В итоге получается 7,8 кВт. А на третью фазу подключить кухню и ванную комнату. Общая мощность получится 9 кВт. Прибавим еще мощность двигателя, разделив ее на каждую фазу одинаково. В итоге получилось: на первой фазе 7,8 кВт; на второй фазе 9,4 кВт; на третьей — 9,6 кВт. Приблизительно распределили нагрузку по фазам по возможности равномерно. Посмотрим, какой в результате получился щиток.
- Итак, трехфазный щиток состоит из входного автомата и трехфазного счетчика. Далее, на первую фазу подключен автомат 40 Ампер, через который питается плита мощностью 7,2 кВт. Если просуммировать с двигателем, будет 7,8 кВт.
- Ко второй фазе через автомат 25 Ампер подключен духовой шкаф и микроволновая печь. Через второй автомат 16 Ампер подсоединена комната проектной мощностью 3,5 кВт. Общая мощность получилась 8,4 кВт.
- К третьей фазе подключен ДИФ автомат и обычный автомат. Через обычный автомат на 25 Ампер подключена кухня проектной мощностью 5,5 кВт. Через ДИФ автомат подключена ванная комната проектной мощностью 3,5 кВт. Общая мощность на третью фазу получается 9,6 кВт.
Распределение полной мощности двигателя на три фазы по 0,6 кВт:
- первая фаза: 7,2+0,6=7,8 кВт;
- вторая фаза: 4,3+3,5+0,6=8,4 кВт;
- третья фаза: 5,5+3,5+0,6=9,6 кВт.
По всем трем фазам максимальная мощность составляет 9,6 кВт. Если проектная мощность 8,8 кВт и входной автомат на 40 Ампер, а у нас проектная мощность на одной из трех фаз 9,6 кВт, то такой автомат не выдержит нагрузку. Если третью фазу загрузить на полную мощность, то этот автомат отключится. Поэтому, входной автомат нужно ставить на 50 Ампер.
Из этого примера видно, что при небольшом количестве потребителей можно полноценно загрузить трехфазную цепь. Иногда возникает необходимость подключить кондиционеры, электрический теплый пол и другие потребители высокой мощности.
Прежде чем покупать электрическое оборудование, надо рассчитать потребляемую мощность. Потянет ли входной автомат и разрешенный лимит по току на электроснабжение дома?
После подсчета всех нагрузок по фазам можно определить, какой мощности нужен входной автомат. Узнать в энергосбыте, какой резерв по току вам дадут. Возможно, разрешение дадут только на 25 Ампер. Придется покупать приборы из расчета на эти 25 Ампер. На фазу дается только 5,5 кВт.
В этом случае, что делать с электроплитой на 7,2 кВт? Современные электроплиты и варочные панели имеют подключение к двухфазной цепи, а иногда и к трехфазной. Кроме земляного и нулевого вывода имеется L1 и L2 (иногда L1, L2, L3). В первом случае для подключения двухфазной цепи, а во втором – подключение трехфазной цепи. Такие мощные нагрузки предусмотрены специально, чтобы можно было их распределить.
Когда делаете проект и запрашиваете проектную мощность, пытайтесь получить разрешение на мощность с запасом.
Пишите комментарии, дополнения к статье, может я что-то пропустил. Загляните на карту сайта , буду рад если вы найдете на моем сайте еще что-нибудь полезное.
Материалы, необходимые для проектирования
Материалами для начала работ по проектированию электроснабжения служат:
- технические условия (максимальная электрическая мощность, выделенная на дом, коттедж и т.п.);
- дизайн-проект объекта;
- поэтажные планы здания;
- а также ведомости потребителей электроэнергии.
Дизайн-проект объекта используется нашими специалистами для определения в интерьере мест размещения приборов освещения, настенных выключателей и штепсельных розеток. На этом этапе инженеры-проектировщики тесно работают с дизайнерами и архитекторами, выбирая места установки электроустановочных изделий (розеток, выключателей и др.) и их дизайн.
Важность обследования электрических сетей и расчета мощности нагрузок для эффективной работы системы
Обследование электрических сетей и расчет мощности нагрузок являются важными процессами для обеспечения эффективной работы системы. Неправильный расчет мощности нагрузок может привести к перегрузке сети, что может вызвать перебои в электроснабжении или даже повреждение оборудования.
Одним из основных преимуществ обследования электрических сетей является возможность выявления потенциальных проблем и неисправностей. В ходе обследования можно проверить состояние проводки, соединений, а также исправность элементов системы, таких как предохранители и реле. Это позволяет предотвратить возможные аварии и устранить неисправности до того, как они станут серьезными проблемами.
Расчет мощности нагрузок также имеет большое значение при проектировании и модернизации электрической системы. Он позволяет определить минимальную и максимальную мощность, которую должна выдерживать система без перегрузки. Правильный расчет помогает выбрать подходящее оборудование и оптимизировать работу системы в целом.
Кроме того, обследование электрических сетей и расчет мощности нагрузок являются важными для обеспечения безопасности. Неправильно подобранное или поврежденное оборудование может представлять опасность для людей и имущества. Проведение регулярных обследований позволяет выявить потенциальные проблемы и устранить их до возникновения аварийной ситуации.
Информация, полученная в результате обследования электрических сетей и расчета мощности нагрузок, также может быть полезна при планировании энергосберегающих мероприятий. Она помогает выявить потенциальные утечки энергии или излишние затраты, что позволяет разработать стратегии по оптимизации работы системы и снижению расходов.
В целом, обследование электрических сетей и расчет мощности нагрузок играют ключевую роль в обеспечении эффективной работы системы. Они помогают выявить проблемы заблаговременно, предотвращая аварии и повреждения оборудования. Кроме того, правильный расчет мощности нагрузок способствует оптимизации работы системы и снижению энергозатрат. Поэтому регулярное обследование и расчет являются неотъемлемой частью эффективного управления электрическими сетями.
Расчет мощности по току и напряжению, схема и таблицы

Чтобы обезопасить себя при работе с бытовыми электроприборами, необходимо в первую очередь правильно вычислить сечение кабеля и проводки. Потому-что если будет неправильно выбран кабель, это может привести к короткому замыканию, из за чего может произойти возгорание в здание, последствия могут быть катастрофическими.
Это правило относиться и к выбору кабеля для электродвигателей.
Расчёт мощности по току и напряжению
Данный расчет происходит по факту мощности, проделывать его необходимо еще до начала проектирование своего жилища (дома, квартиры).
- Из этого значение зависят кабеля питающие приборы которые подключены к электросети.
- По формуле можно вычислить силу тока, для этого понадобиться взять точное напряжение сети и нагрузку питающихся приборов. Ее величина дает нам понять площадь сечение жил.
Если вам известны все электроприборы, которые в будущем должны питаться от сети, тогда можно легко сделать расчеты для схемы электроснабжение. Эти же расчеты можно выполнять и для производственных целей.
Однофазная сеть напряжением 220 вольт
Формула силы тока I (A — амперы):
I=P/U
Где P — это электрическая полная нагрузка (ее обозначение обязательно указывается в техническом паспорте данного устройства), Вт — ватт;
U — напряжение электросети, В (вольт).
В таблице представлены стандартные нагрузки электроприборов и потребляемый ими ток (220 В).
На рисунке вы можете видет схему устройства электроснабжение дома при однофазном подключении к сети 220 вольт.
Схема приборов при однофазном напряжении
Как и показано на рисунке, все потребители должны быть подключены к соответствующим автоматам и счетчику, далее к общему автомату который будет выдерживать общею нагрузку дома. Кабель который будет доводит ток, должен выдерживать нагрузку всех подключенных бытовых приборов.
Совет
В таблице ниже показана скрытая проводка при однофазной схеме подключение жилища для подбора кабеля при напряжении 220 вольт.
Как и показано в таблице, сечение жил зависит и от материала из которого изготовлен.
Трёхфазная сеть напряжением 380 В
В трехфазном электроснабжении сила тока рассчитывается по следующей формуле:
I = P /1,73 U
P — потребляемая мощность в ватах;
U — напряжение сети в вольтах.
В техфазной схеме элетропитания 380 В, формула имеет следующий вид:
I = P /657, 4
Если к дому будет проводиться трехфазная сеть 380 В, то схема подключения будет иметь следующий вид.
В таблице ниже представлена схема сечения жил в питающем кабеле при различной нагрузке при трехфазном напряжении 380 В для скрытой проводки.
Для дальнейшего расчета питания в цепях нагрузки, характеризующейся большой реактивной полной мощностью, что характерно применению электроснабжения в промышленности:
- электродвигатели;
- индукционные печи;
- дроссели приборов освещения;
- сварочные трансформаторы.
Это явление в обязательном порядке необходимо учитывать при дальнейших расчетах. В более мощных электроприборах нагрузка идет гораздо больше, поэтому в расчетах коэффициент мощности принимают 0,8.
При подсчете нагрузки на бытовые приборы запас мощности нужно брать 5%. Для электросети этот процент становит 20%.
Значение номинальной нагрузки
Номинальная нагрузка – это максимально допустимое электрическое потребление устройства, при котором оно работает без перегрузок или сбоев. Более простыми словами, номинальная нагрузка – это та мощность, которую устройство потребляет в нормальном режиме работы.
Значение номинальной нагрузки устройства указывается обычно на его кузове или в технической документации. Чтобы избежать перегрузки электросети и поломок, обязательно необходимо знать эту характеристику и выбирать к ней соответствующее подключение к сети.
Номинальную нагрузку нужно рассчитывать при проектировании электрической сети или выборе силового оборудования. Для расчета номинальной нагрузки необходимо знать не только мощность устройства, но и другие параметры, включая напряжение и форму сигнала.
- Если номинальная мощность устройства известна, а напряжение неизвестно, то его можно рассчитать, исходя из формулы: P=U*I, где P – мощность, U – напряжение, I – сила тока.
- Если форма сигнала не постоянная (например, переменный ток), то эта величина также указывается в технической документации.
При выборе электрооборудования обращайте внимание на то, что существует несколько видов номинальной нагрузки: для контакторов, для реле, для трансформаторов и т.д. Каждый из них имеет свои особенности расчета и подбора, не следует пренебрегать этими параметрами при выборе
Потери мощности на линии: проблемы и решения
Мощность, передаваемая по линии, может быть подвержена потерям, которые возникают из-за различных причин. Эти потери могут влиять на эффективность работы системы передачи электроэнергии и приводить к нестандартным условиям.
Одной из основных причин потери мощности на линии является сопротивление проводника. Когда электрический ток проходит через проводник, часть энергии превращается в тепло из-за сопротивления материала проводника. Это приводит к потере мощности и снижению эффективности передачи.
Еще одной причиной потери мощности является реактивная мощность, которая возникает из-за индуктивности и емкости элементов системы. Реактивная мощность не выполняет полезную работу и приводит к потерям в электроэнергии. Для решения этой проблемы используют компенсаторы реактивной мощности, которые позволяют балансировать реактивные элементы системы и уменьшить потери.
Также, проблему потери мощности на линии можно решить с помощью оптимизации параметров системы передачи. Например, использование проводников с меньшим сопротивлением или увеличение сечения проводников может уменьшить потери. Распределение электроэнергии по разным фазам с помощью трансформаторов также может помочь снизить потери мощности.
Важно понимать, что потери мощности на линии могут быть проблемой, которая влияет на эффективность работы системы. Различные решения могут быть использованы для улучшения передачи электроэнергии и уменьшения потерь
Это позволяет повысить эффективность системы и обеспечить более стабильную передачу электроэнергии.
Суточные графики нагрузки потребителей
Фактический график нагрузки может быть получен с помощью регистрирующих приборов, которые фиксируют изменения соответствующего параметра во времени.
Перспективный график нагрузки потребителей определяется в процессе проектирования. Для его построения надо располагать прежде всего сведениями об установленной мощности электроприемников, под которой понимают их суммарную номинальную мощность. Для активной нагрузки
(1)
Присоединенная мощность на шинах подстанции потребителей
(2)
Где — соответственно средние КПД электроустановок потребителей и местной сети при номинальной нагрузке.
В практике эксплуатации обычно действительная нагрузка потребителей меньше суммарной установленной мощности. Это обстоятельство учитывается коэффициентами одновременности kо и загрузки kз. Тогда выражение для максимальной нагрузки потребителя будет иметь вид:
(3)
где kспр — коэффициент спроса для рассматриваемой группы потребителей.
Коэффициенты спроса определяются на основании опыта эксплуатации однотипных потребителей и приводятся в справочной литературе. Средние значения коэффициентов спроса для некоторых промышленных потребителей приведены в табл.1.
Таблица 1
Коэффициент спроса kспр

Найденное по (3) значение максимальной нагрузки является наибольшим в году и соответствует обычно периоду зимнего максимума нагрузки.
Кроме Рmax, для построения графика необходимо знать характер изменения нагрузки потребителя во времени, который при проектировании обычно определяется по типовым графикам.
Типовой график нагрузки строится по результатам исследования аналогичных действующих потребителей и приводится в справочной литературе в виде, показанном на рис.1,а.

Рис.1. Суточные графики активной нагрузки потребителя
а — типовой
б — в именованных единицах
Для удобства расчетов график выполняется ступенчатым. Наибольшая возможная за сутки нагрузка принимается за 100%, а остальные ступени графика показывают относительное значение нагрузки для данного времени суток.
При известном Рmax можно перевести типовой график в график нагрузки данного потребителя, используя соотношение для каждой ступени графика:
(4)
где n% — ордината соответствующей ступени типового графика, %.
На рис.1,б показан график потребителя электроэнергии, полученный из типового (рис.1,а) при Рmax = 20 МВт.
Обычно для каждого потребителя дается несколько суточных графиков, которые характеризуют его работу в разное время года и в разные дни недели. Это — типовые графики зимних и летних суток для рабочих дней, график выходного дня и т.д. Основным является обычно зимний суточный график рабочего дня. Его максимальная нагрузка Рmax принимается за 100%, и ординаты всех остальных графиков задаются в процентах именно этого значения (рис.2).

Рис.2. Пример типового графика конкретного вида производства (черная металлургия)
1 — график рабочего дня
2 — график выходного дня
Кроме графиков активной нагрузки, используют графики реактивной нагрузки. Типовые графики реактивного потребления также имеют ординаты ступеней, %, абсолютного максимума:
(5)
где tgφmax определяется по значению cosφmax , которое должно быть задано как исходный параметр для данного потребителя.
Суточный график полной мощности можно получить, используя известные графики активной и реактивной нагрузок. Значения мощности по ступеням графика (рис.3) определяются по выражениям
(6)
где Рn и Qn — активная и реактивная нагрузки данной ступени в именованных единицах.
Рис.3. Суточные графики активной, реактивной и полной мощности потребителя
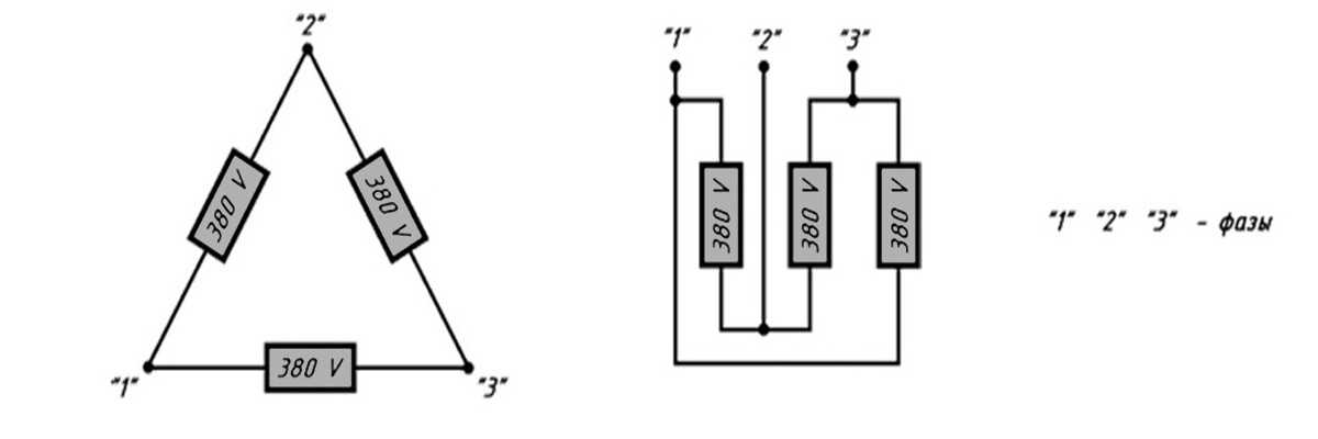
Трёхфазное или однофазное подключение
В сети обмотки смещены на 120 градусов. Если представить этот сдвиг в виде 2-х вращающихся векторов — они тоже размещены под таким же градусом наклона.

И линейное напряжение не будет равняться сумме векторов. Другими словами, представьте прямой угол (равный 90 градусам), линии которого по 220 В. Если их соединить, чтобы образовать полноценный треугольник — расстояние для соединения будет равно 380 В, как показано на фото внизу.

Подключение сети было уже разобрано вверху. Про подключение однофазного прибора ничего не было сказано. Но вы уже знаете, что однофазный имеет целых 4 провода подключения, в отличие от устройства с тремя фазами.
- На первую клемму подается питание-фаза.
- Вторая клемма является выходом нагрузки электропотребителя.
- Ноль приходится на третью клемму.
- Выход нулевой подается на четвертую.

Т.е. первый и второй провода проходят через автомат и входят в саму квартиру. А остальные 2 приходятся на нулевое заземление. Примерами однофазных потребителей являются розетки.

Калькулятор мощности – расчет по току, напряжению, сопротивлению
С помощью калькулятора мощности вы можете самостоятельно выполнить расчет мощности по току и напряжению для однофазных (220 В) и трехфазных сетей (380 В). Программа также рассчитывает мощность через сопротивление и напряжение, или через ток и сопротивление согласно закону Ома. Значение cos φ принимается согласно указаниям технического паспорта прибора, усредненным значениям таблиц ниже или рассчитываются самостоятельно по формулам. Без необходимости рекомендуем не изменять коэффициент и оставлять равным 0.95. Чтобы получить результат расчета, нажмите кнопку «Рассчитать».
Формулы для расчета и примеры
Для самых точных расчетов всегда учитывают реактивную нагрузку. Ее имеют все индуктивные приборы. То есть те, которые в своей конструкции используют обмотку. Это электродвигатели, трансформаторы, дроссели. Также реактивная мощность зависит и от емкостной нагрузки, которую имеют конденсаторы.
Перед проведением расчетов нужно просто запомнить:
- Резистор берет на себя только активную мощность. Впоследствии она выделяется в виде света или тепла.
- Катушка индуктивности провоцирует реактивную реакцию, которая выражается в виде магнитного поля.
- Конденсатор вырабатывает реактивное сопротивление.
Рассчитать мощность трехфазной сети можно по формуле:
P = (U1 × I1 × cosϕ1) + (U2 × I2 × cosϕ2) + (U3 × I3× cosϕ3)

Виды подключения к трехфазной сети и основные формулы для расчетовИсточник rusenergetics.ru
U и I – это напряжение и сила тока. Цифры обозначают порядковый номер фазы (у нас их три). А cosϕ – коэффициент мощности, который находят перемножением друг на друга активной и реактивной нагрузки. Первая величина обычно считается постоянной – 1.
В большинстве случаев реактивная нагрузка в сети очень незначительна. Поэтому коэффициенту присуждается значение – 0,95. Это работа электроплиты, обогревателя, лампочек накаливания, электрочайника. Но если к сети подключить сварочный аппарат или насос с мощным двигателем, реактивная нагрузка уже будет значительно отличаться. А для простоты расчетов, при использовании таких агрегатов, коэффициенту присуждают значение – 0,8.
Если рассматривать каждую фазу, как отдельную линейную нагрузку, то можно значительно сократить расчет мощности трехфазной сети. Ведь можно считать, что по каждой фазе идет напряжение в 220 вольт. И сила тока для всех линий одинакова.
Поэтому формула мощности трехфазного тока упрощается:
P = 3 × 220 × I × cosϕ
Чтобы узнать силу тока, необходимо найти значение сопротивления (R) сети. И тогда можно воспользоваться формулой: I = U / R. Напряжение (U) берется линейное – 220 вольт.

Цифровой ваттметр для трехфазной сетиИсточник asset.conrad.com
Примените регуляторы мощности
Имеется ряд электрических приёмников, потребляемую мощность которых можно и нужно регулировать. Это источники освещения (люстры, бра и т.д.), нагревательные приборы (полы с подогревом).
В цепь питания таких приёмников включают регуляторы мощности,содержащие тиристоры.
Регулируя момент отпирания тиристоров, изменяют величину тока электрических приёмников, а, значит, и потребляемую ими мощность.
Как правило, такое регулирование производится вручную, либо с помощью пульта дистанционного управления.
Когда путём регулирования невозможно добиться условия, чтобы максимальная величина потребляемой мощности не превышала значения разрешённой мощности, используют резервное питание.
Источник резервного питания —это обычно дизельный генераторили газовый генератор ( по экономическим соображениям обычно применяют в качестве аварийного источника).
Включение генератора и переключение части секций или всей внутренней сети на резервное питание обычно происходит автоматически, но возможен и ручной режим
При этом важно, чтобы, во избежание короткого замыкания, внутренняя сеть вначале была отсоединена от питающей сети, а лишь затем подключена к генератору.. Резервное питание
в случае исчезновения электричества в питающей сети используется в качестве аварийного. Резервное питание в случае исчезновения электричества в питающей сети используется в качестве аварийного
Резервное питание в случае исчезновения электричества в питающей сети используется в качестве аварийного.
Очень важно правильно выбрать генератор
и знать, где установить генератор .
А от того, как выполнен , будет зависеть качество электроэнергии и надёжность системы резервного электроснабжения
Расчет нагрузки по фазам
Допустим, у вас имеется трехфазный двигатель мощностью 1500 Вт. Соответственно, на каждую фазу приходится по 500 Вт активной мощности. Предположим, что cos фи=0,8. Полная мощность равна: 500/0,8. Получается, что 625 Вт нужно распределить на каждую фазу.
Кроме двигателя к фазам, вероятно, подключены и другие потребители. Например, кроме 500 Вт подключается освещение на 200 Вт и конвектор на 300 Вт. Все мощности суммируются по горизонтали. Реактивная мощность остается без изменений (если не используются нагрузки с реактивной составляющей).
По теореме Пифагора можно определить реактивную мощность.
Но на практике это довольно сложные расчеты. Поэтому, это рассчитывается приближенно: 625 Вт + 500 Вт = 1150 Вт. Эта сумма получается больше точных расчетов по формуле, но страшного ничего нет. Расчет произведен с небольшим запасом.
На практике для приблизительных расчетов достаточно сложить все полные мощности и по ним определить мощность автомата для требуемой нагрузки.




























